创新设计,助力成长

礼堂椅

1201C

产品介绍

产品尺寸要求:

 

背外壳外观尺寸图及参考图片:

背外壳全新PP料,净重量≥1.48KG,需提供背外壳小样一个。

座外壳外观尺寸图及参考图片:

座外壳全新PP料,净重量≥1.5KG,需提供座外壳小样一个。

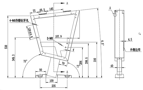
五金站脚尺寸要求:

扶手和写字板向上倾斜6.5度,需提供五金站脚小样一个。

技术要求:

1.座椅根据人体工程学原理及形态美学设计制造,背垫和座垫之弧度完全符合人体原理曲线,座背外壳造型并采用自然仿生学课座头鲸鳃纹为概念作为形态美学设计,座高和座深合理,坐感舒适,座垫可自动回复,座椅外观简洁而美观。

2.座椅基本中心距为580±5mm,座包打开侧深760±5mm,写字板打开侧深855±5mm,基本椅高为1015±5mm,最小排距:900mm。

3.写字板:内藏式写字板,支架采用16mm 直径实心圆钢支撑结构,面板采用高密度中纤板,外压三胺板,四周PVC封边,写字板面板尺寸为长度为250±2mm,宽度为240±2 mm,厚度为15mm,扶手和写字板向上倾斜6.5度保证书写舒适自然状态,写字板打开回收时需带消音功能,不可有反弹力与燥音的出现。

4.面料采用高档针织面料,并经防静电、防蛀处理,手感舒适,长时间使用无皱褶、断裂、起球、褪色现象。

5.座椅泡绵均为聚氨酯冷发泡高回弹海绵,座海棉尺寸:长度为480±5mm,宽度为460±5mm,高度为120±5mm,座垫密度50-55Kg/m³,背海棉尺寸:长度为730±5mm,宽度为470±5mm,高度为150±5mm,背垫密度45-50Kg/m³,强度高,回弹性好,独特配方,使泡绵具有抗菌性,能有效杀灭大肠杆菌等病菌。

6.所有的钢材都使用最优质钢材,焊接件采用机器人焊接,焊接质量高。扶手支架采用冷轧板或型材冲压成型,表面经表面经脱脂→清洗→去锈→清洗→磷化→清洗→钝化→粉末静电喷涂→固化→冷却然后采用环氧树脂30微米静电喷涂,保证盐浴72小时漆膜耐腐蚀试验不生锈。

7.座椅扶手为优质进口橡木实木,曲线造型,不变形、不开裂,扶手尺寸规格:长度为432±1.0mm,宽度为80±1.0mm,高度为27±1.0mm。

8.座垫自动回复系统回复定位精确保证确保与扶手平行,保证产品美观,座内采用双扭簧回位结构,座包回复碰撞部位增加橡胶垫防撞降噪,使座包打开无噪音,回复时无冲击性撞击。

9.座、背内板采用15±2mm厚内板优质夹板经模具压弯成型。外型成弧型,美观大方,具有曲线美,座、背外胶壳采用耐冲击全新PP料经模具一体注塑成型,座外壳尺寸为:长度为520±10mm,宽度为490±10 mm,高度为110±10mm,重量≥1.5 KG,背外壳尺寸为:长度为810±10mm,宽度为470±10mm,高度为100±10mm,重量≥1.48KG,以保证椅座的牢固度和长久使用无故障、无异响。

10.座椅站脚采用优质1.8mm厚碳素冷轧钢经模具冲压、焊接、打磨、除油除锈后静电喷涂而成,坚固耐用,防锈耐腐蚀。左右两侧配有侧板并面覆麻绒布,美观且防撞。站脚尺寸为:长度为586±5 mm,宽度为427±5mm,高度为80±5 mm。

11、座椅固定方式采用隐藏式压爆螺丝固定地面,外观特别设计塑料防尘盖,保证椅脚平滑美观的同时防止积尘,便于清洁。

电话:19958888989
邮箱:www@jinnianhui.com
客服微信二维码
版权所有©金年金字招牌(jinnian)(集团)智能科技股份有限公司网站 粤ICP备2024187857号

本站部分图片来源互联网,如有侵权请速告知,我们将会在24小时内删除

拨打电话 复制微信